Recombinant Human Tau 441 Active, P301S Mutant, Pre-formed Fibrils Protein
Novus Biologicals, part of Bio-Techne | Catalog # NBP2-76794
Key Product Details
Source
E. coli
Conjugate
Unconjugated
Applications
Western Blot, Functional Assay, Microscopy, SDS-PAGE
Product Specifications
Description
An un-tagged full length Human Recombinant Tau 441 protein Pre-Formed Fibrils, Accession #: P10636
Source: E. coli
Amino Acid Sequence:
MAEPRQEFEV MEDHAGTYGL GDRKDQGGYT MHQDQEGDTD AGLKESPLQT PTEDGSEEPG SETSDAKSTP TAEDVTAPLV DEGAPGKQAA AQPHTEIPEG TTAEEAGIGD TPSLEDEAAG HVTQARMVSK SKDGTGSDDK KAKGADGKTK IATPRGAAPP GQKGQANATR IPAKTPPAPK TPPSSGEPPK SGDRSGYSSP GSPGTPGSRS RTPSLPTPPT REPKKVAVVR TPPKSPSSAK SRLQTAPVPM PDLKNVKSKI GSTENLKHQP GGGKVQIINK KLDLSNVQSK CGSKDNIKHVSGGGSVQIVY KPVDLSKVTS KCGSLGNIHH KPGGGQVEVK SEKLDFKDRV QSKIGSLDNI THVPGGGNKK IETHKLTFRE NAKAKTDHGA EIVYKSPVVS GDTSPRHLSN VSSTGSIDMV DSPQLATLAD EVSASLAKQG L
Source: E. coli
Amino Acid Sequence:
MAEPRQEFEV MEDHAGTYGL GDRKDQGGYT MHQDQEGDTD AGLKESPLQT PTEDGSEEPG SETSDAKSTP TAEDVTAPLV DEGAPGKQAA AQPHTEIPEG TTAEEAGIGD TPSLEDEAAG HVTQARMVSK SKDGTGSDDK KAKGADGKTK IATPRGAAPP GQKGQANATR IPAKTPPAPK TPPSSGEPPK SGDRSGYSSP GSPGTPGSRS RTPSLPTPPT REPKKVAVVR TPPKSPSSAK SRLQTAPVPM PDLKNVKSKI GSTENLKHQP GGGKVQIINK KLDLSNVQSK CGSKDNIKHVSGGGSVQIVY KPVDLSKVTS KCGSLGNIHH KPGGGQVEVK SEKLDFKDRV QSKIGSLDNI THVPGGGNKK IETHKLTFRE NAKAKTDHGA EIVYKSPVVS GDTSPRHLSN VSSTGSIDMV DSPQLATLAD EVSASLAKQG L
Purity
Ion exchange chromatography
Predicted Molecular Mass
45.8 kDa.
Disclaimer note: The observed molecular weight of the protein may vary from the listed predicted molecular weight due to post translational modifications, post translation cleavages, relative charges, and other experimental factors.
Disclaimer note: The observed molecular weight of the protein may vary from the listed predicted molecular weight due to post translational modifications, post translation cleavages, relative charges, and other experimental factors.
Activity
Thioflavin T emission curve shows increased fluorescence (correlated to tau protein fibrillation) when active tau PFFs are combined with active tau monomers.
Protein / Peptide Type
Recombinant Protein
Scientific Data Images
SDS-PAGE: Recombinant Human Tau 441 Active, P301S Mutant, Pre-formed Fibrils Protein [NBP2-76794]
SDS-Page: Recombinant Human Tau 441 Active, P301S Mutant, Pre-formed Fibrils Protein [NBP2-76794] - DS-PAGE of ~67 kDa Human Tau Protein 2N4R P301S Preformed Fibrils (NBP2-76794). Lane 1: MW Ladder. Lane 2: Tau Protein Preformed Fibrils (NBP2-76794)In vitro assay: Recombinant Human Tau 441 Active, P301S Mutant, Pre-formed Fibrils Protein [NBP2-76794]
In vitro assay: Recombinant Human Tau 441 Active, P301S Mutant, Pre-formed Fibrils Protein [NBP2-76794] - Thioflavin T is a fluorescent dye that binds to beta sheet-rich structures such as those in tau fibrils. Upon binding, the emission spectrum of the dye experiences a red-shift, and increased fluorescence intensity. Thioflavin T emission curves show increased fluorescence (correlated to tau aggregation) when tau Pre-formed Fibrils (NBP2-76794) are combined with tau monomers . The Pre-formed Fibrils seed the formation of new fibrils from a pool of monomers. Thioflavin T ex = 450 nm, em = 485 nm. 10 uM heparin was added to each well.
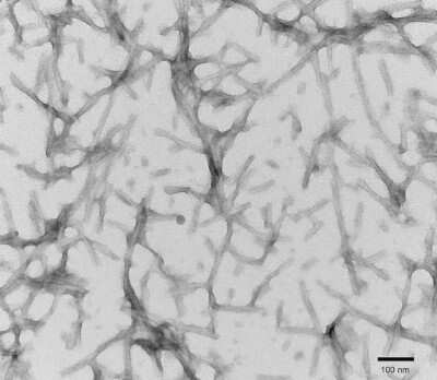
Electron Microscopy: Recombinant Human Tau 441 Active, P301S Mutant, Pre-formed Fibrils Protein [NBP2-76794] - TEM of recombinant Tau 441441 (2N4R), P301S mutant Pre-formed Fibrils (PFFs). Fibrils were sonicated and stained with uranyl acetate.
Formulation, Preparation and Storage
NBP2-76794
| Formulation | 10 mM HEPES (pH 7.4), 100 mM NaCl |
| Preservative | No Preservative |
| Concentration | Please see the vial label for concentration. If unlisted please contact technical services. |
| Shipping | The product is shipped with dry ice or equivalent. Upon receipt, store it immediately at the temperature recommended below. |
| Stability & Storage | Store at -80C. Avoid freeze-thaw cycles. |
Background: Tau 441
Alternate Names
MAPT, microtubule-associated protein tau, MTBT1, MTBT2
Gene Symbol
MAPT
Additional Tau 441 Products
Product Specific Notices
This product is for research use only and is not approved for use in humans or in clinical diagnosis. This product is guaranteed for 1 year from date of receipt.
Loading...
Loading...
Loading...
Loading...